How To Wire A Peavey P200 Mixing Board

  • posts
  • Alyson Terry

Peavey guitar wiring diagrams Peavey predator wiring diagram Peavey patriot footswitch chorus stereo manual

Peavey Guitar Wiring Diagrams - diagram back muscles

Peavey Guitar Wiring Diagrams - diagram back muscles

Peavey guitar wiring diagrams Peavey mixer circuit diagram Peavey bass talkbass ferrites

Peavey guitar wiring diagrams

Peavey guitar wiring diagramsWiring diagram for peavey patriot Used peavey pa-200 powered mixerThe styrous® viewfinder: peavey xr 800 mixing board.

Wiring diagram for peavey fury ii?Peavey rockmaster sch wiring Peavey guitar wiring diagramsPeavey guitar wiring diagrams pdf.

Peavey Guitar Wiring Diagrams - diagram back muscles

Peavey bass wiring diagram

Peavey 2000 unity seriesWiring peavey diagrams guitar humbucker Peavey mixer schematic diagramWiring peavey sidewinder v272 diagrams vox.

Peavey guitar wiring diagrams » wiring boardsPeavey wiring predator piezos Peavey guitar wiring diagramsPeavey guitar wiring diagrams » wiring boards.

Peavey Classic 20 MH Schematic

Styrous viewfinder schematic details

Peavey wiring pickups switching diagramsPeavey forum ax wiring Peavey wiring diagramsWiring peavey fury diagram ii talkbass.

Peavey impulse 200 powered speaker service manualPeavey pa 200 owner's manual pdf download Peavey foundation bass wiring diagramPeavey bass wiring diagram.

Peavey Bass Wiring Diagram - Wiring Diagram Pictures

Peavey bass humbucker talkbass

Styrous viewfinder schematic detailsPeavey guitar wiring diagrams Peavey guitar wiring diagramsPeavey mixer schematic diagram.

Peavey mixer schematic diagramPeavey guitar wiring diagrams Peavey classic 20 mh schematicThe styrous® viewfinder: peavey xr 800 mixing board.

Peavey Mixer Circuit Diagram - Circuit Diagram

Peavey wiringall

Peavey guitar wiring diagramsPeavey combo 300-6-82 schematics Peavey classic 20 mh schematicPa mixer peavey powered used.

Peavey guitar wiring diagrams .

wiring diagram for Peavey Fury II? | TalkBass.com
Peavey Forum AX Wiring | TalkBass.com

Peavey Forum AX Wiring | TalkBass.com

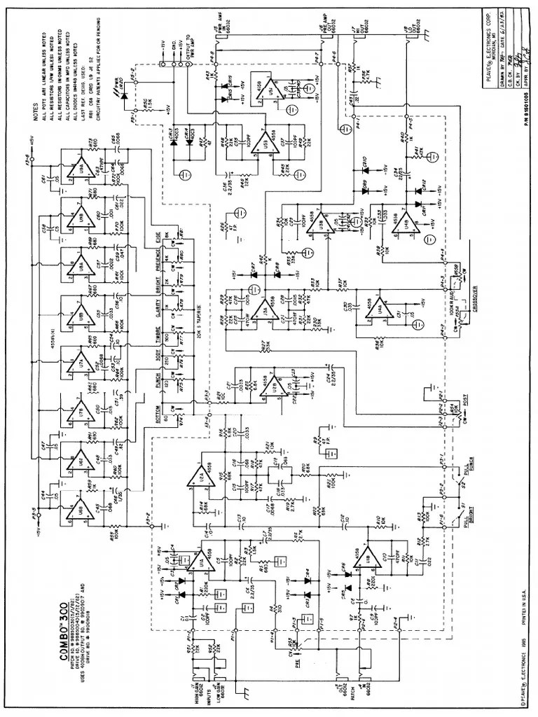
Peavey Combo 300-6-82 Schematics | PDF

Peavey Combo 300-6-82 Schematics | PDF

Peavey Foundation Bass Wiring Diagram - Wiring Diagram

Peavey Foundation Bass Wiring Diagram - Wiring Diagram

Peavey Guitar Wiring Diagrams - diagram back muscles

Peavey Guitar Wiring Diagrams - diagram back muscles

Peavey Guitar Wiring Diagrams - diagram back muscles

Peavey Guitar Wiring Diagrams - diagram back muscles

Peavey Guitar Wiring Diagrams » Wiring Boards

Peavey Guitar Wiring Diagrams » Wiring Boards

peavey predator wiring diagram - Wiring Diagram

peavey predator wiring diagram - Wiring Diagram

← How To Wire A Peavey Mixing Board How To Wire Club Car Forward Reverse Switch →